联系我们
首页
关于云蚁
云蚁简介
企业文化
经营策略
组织机构
云蚁优势
产品目录
编码器
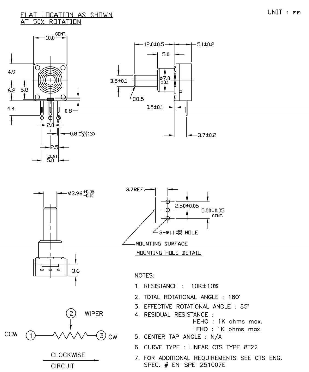
电位器
大型微动开关8A-10A电流
中型微动开关5A电流
小型微动开关3A电流
微型微动开关2A电流
不防水微动开关
ZIPPY防水微动开关
新闻中心
公司动态
技术文章
行业新闻
成功案例
解决方案
资料下载
电容资料
开关资料
人才招募
人事概况
薪资福利
培训发展
招募流程
联系我们
产品
>
电位器
>
251碳膜电位器
251碳膜电位器详细介绍