产品 > 大型微动开关8A-10A电流 > H18系列

H18系列详细介绍
SPECIFICATIONS
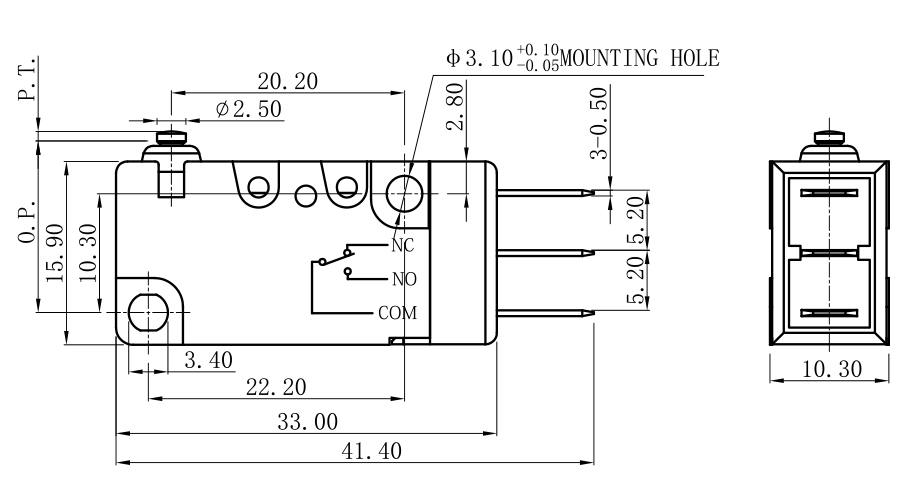
外型尺寸:33.0mm*10.3mm
防护等级:IP67
机械寿命:50万次
操作力OF:210gf Max
回复力RF:60gf Min
动作位置OP:14.70±0.5mm
自由位置FP:16.30mm Max
预行程PT:1.60mm Max
差动行程DT:0.40mm Max
额定负载:8A 12VDC;8A 48VDC
初始接触电阻:50mΩMax
使用温度:-40℃~85℃
APPLICATION
1. Industrial and automotive applications
detection of door opening and closing and shift lever position etc.
2. Household appliances
propane stoves, vacuum cleaners, washing machines, air conditioners etc.
3. Security system
DIMENSIONS

ORDER INFORMATION