产品 > 小型微动开关3A电流 > H3-A系列

H3-A系列详细介绍
SPECIFICATIONS
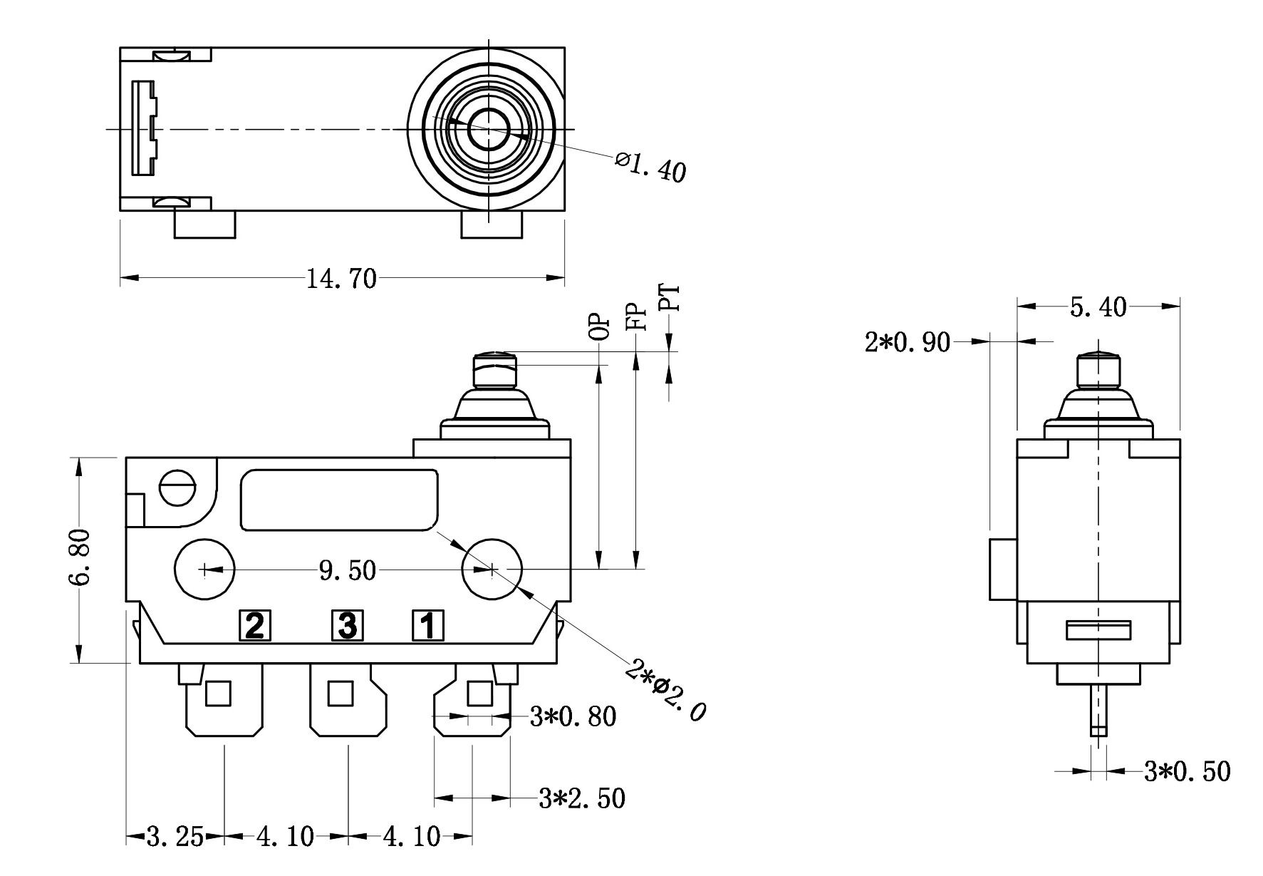
外型尺寸:14.7mm*5.4mm
防护等级:IP67
机械寿命:50万次
操作力OF:180gf Max
回复力RF:20gf Min
动作位置OP:10.70±0.7mm
自由位置FP:13.50mm Max
预行程PT:3.80mm Max
差动行程DT:0.70mm Max
额定负载:0.1A 125/250VAC;3A 12VDC;0.1A 48VDC
初始接触电阻:50mΩMax
使用温度:-40℃~85℃
APPLICATION
1. Industrial and automotive applications
detection of door opening and closing and shift lever position etc.
2. Household appliances
propane stoves, vacuum cleaners, washing machines, air conditioners etc.
3. Security system
DIMENSIONS

ORDER INFORMATION
